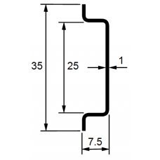
ICP
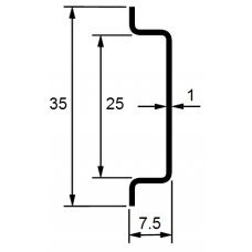
ICP
8 932.52 р.
Включая НДС
26 424.74 р.
Включая НДС
В корзине пусто!
8 932.52 р.
Включая НДС
26 424.74 р.
Включая НДС





























